Part Number Hot Search : 
09500 B133EW01 AOWF7S60 TS821BIZ H66T66BA AS4420CU NLX1G11 2N305
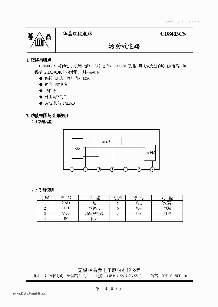
Product Description
Full Text Search

CD8403CS - CD8403CS

CD8403CS_616317.PDF Datasheet


 Full text search : CD8403CS
 Product Description search : CD8403CS


 Related Part Number
PART Description Maker
CD8403CS CD8403CS
ETC
 
 Related keyword From Full Text Search System
CD8403CS command CD8403CS siemens CD8403CS motorola CD8403CS step CD8403CS differential
CD8403CS Silicon CD8403CS for sale CD8403CS 电子元器件 CD8403CS circuit CD8403CS board
 

 

Price & Availability of CD8403CS

All Rights Reserved © IC-ON-LINE 2003 - 2022  

[Add Bookmark] [Contact Us] [Link exchange] [Privacy policy]
Mirror Sites :  [www.datasheet.hk]   [www.maxim4u.com]  [www.ic-on-line.cn] [www.ic-on-line.com] [www.ic-on-line.net] [www.alldatasheet.com.cn] [www.gdcy.com]  [www.gdcy.net]


 . . . . .
  We use cookies to deliver the best possible web experience and assist with our advertising efforts. By continuing to use this site, you consent to the use of cookies. For more information on cookies, please take a look at our Privacy Policy. X
1.3121829032898