Part Number Hot Search : 
0801730 MPSA13 100005 558K45 1PBWA 2SB1136 MAX21 C2845
Product Description
Full Text Search

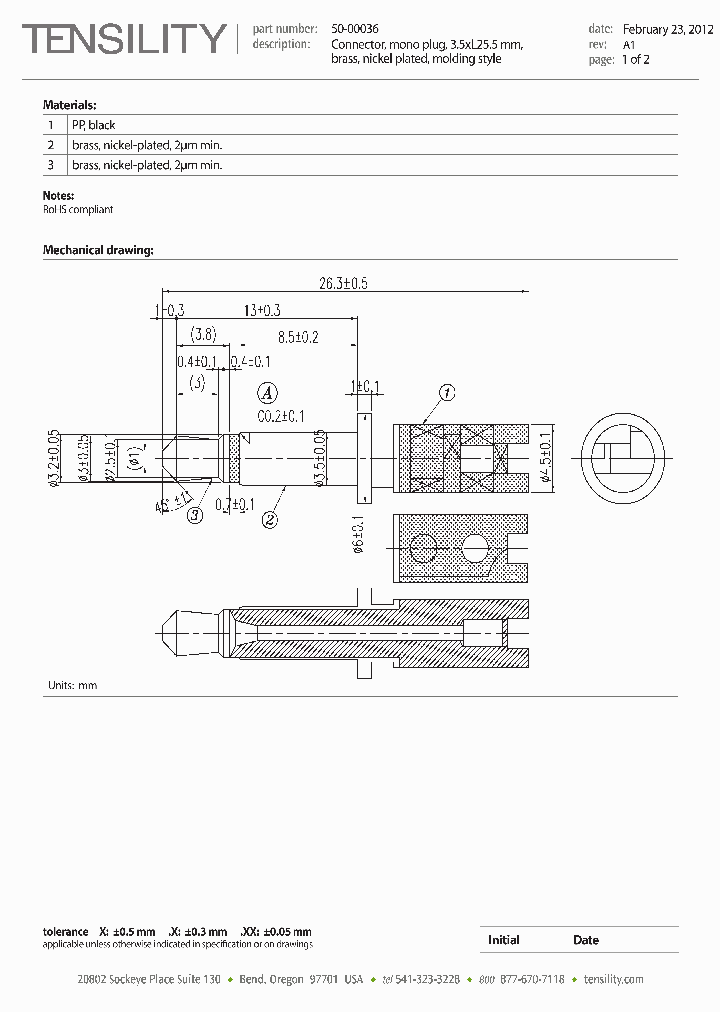
50-00036 - Connector, mono plug, 3.5xL25.5 mm, brass, nickel plated, molding style

50-00036_8427022.PDF Datasheet


 Full text search : Connector, mono plug, 3.5xL25.5 mm, brass, nickel plated, molding style
 Product Description search : Connector, mono plug, 3.5xL25.5 mm, brass, nickel plated, molding style


 Related Part Number
PART Description Maker
74323-2001 74323-2004 DVI-D PLUG SUB CONN. S.C. AUN W/TRAY TELECOM AND DATACOM CONNECTOR, PLUG
DVI-D Low Cost Plug Conn Sub-Assy 30u TELECOM AND DATACOM CONNECTOR, PLUG
Molex, Inc.
71292-201F 71292-202F 71292-204F 71292-001 71292-0 SCA2 PLUG CONNECTOR STRADDLE MOUNT
40 CONTACT(S), MALE, RIGHT ANGLE TELECOM AND DATACOM CONNECTOR, SURFACE MOUNT, PLUG
FCI connector
15-92-2080 15-92-2430 15-92-2050 CONN 80P VERT PLUG SCA 80 CONTACT(S), FEMALE, STRAIGHT TWO PART BOARD CONNECTOR, SOLDER, PLUG
30CKT EBBI VERT PLUG A716611330 30 CONTACT(S), FEMALE, STRAIGHT TWO PART BOARD CONNECTOR, SOLDER, PLUG
15922050 50 CONTACT(S), FEMALE, STRAIGHT TWO PART BOARD CONNECTOR, SOLDER, PLUG
Molex, Inc.
10-00343 Cable, 1830 mm, 2.5 mm 50-00032 slim mono plug to stripped tinned, 28 AWG, shielded
Tensility International Corp.
67491-1036 67491-1032 67491-1039 67491-1031 67491- 1.27MM HIGH SPEED SERIAL PLUG VERT. TYPE 7 CONTACT(S), MALE, STRAIGHT TWO PART BOARD CONNECTOR, SOLDER, PLUG
SATA;CIRCUIT=7;P=1.27MM;THRU;S/T 7 CONTACT(S), MALE, STRAIGHT TWO PART BOARD CONNECTOR, SOLDER, PLUG
SATA system plug vertical w/ Peg (30u)
Molex, Inc.
MOLEX INC
M2S56D20AKT-75 M2S56D30AKT-75 M2S56D40AKT-75 M2V56 JT 13C 13#22D SKT GRND PLUG
Circular Connector; No. of Contacts:5; Series:MS27484; Body Material:Aluminum; Connecting Termination:Crimp; Connector Shell Size:10; Circular Contact Gender:Pin; Circular Shell Style:Straight Plug; Insert Arrangement:10-5 RoHS Compliant: No
JT 6C 6#22D SKT PLUG
256M Double Data Rate Synchronous DRAM 256M双数据速率同步DRAM
Mitsubishi Electric Corporation
Mitsubishi Electric, Corp.
801-007-16ZNU5-3PA 801-008-16ZNU5-3PA 801-007-16ZN 55 CONTACT(S), ALUMINUM ALLOY, MALE, CIRCULAR CONNECTOR, CRIMP, PLUG
2 CONTACT(S), ALUMINUM ALLOY, FEMALE, CIRCULAR CONNECTOR, CRIMP, PLUG
19 CONTACT(S), ALUMINUM ALLOY, FEMALE, CIRCULAR CONNECTOR, CRIMP, PLUG
3 CONTACT(S), STAINLESS STEEL, MALE, CIRCULAR CONNECTOR, CRIMP, PLUG
26 CONTACT(S), STAINLESS STEEL, FEMALE, CIRCULAR CONNECTOR, CRIMP, PLUG
37 CONTACT(S), STAINLESS STEEL, FEMALE, CIRCULAR CONNECTOR, CRIMP, PLUG
37 CONTACT(S), STAINLESS STEEL, MALE, CIRCULAR CONNECTOR, CRIMP, PLUG
55 CONTACT(S), ALUMINUM ALLOY, FEMALE, CIRCULAR CONNECTOR, CRIMP, PLUG
10 CONTACT(S), STAINLESS STEEL, FEMALE, CIRCULAR CONNECTOR, CRIMP, PLUG
10 CONTACT(S), ALUMINUM ALLOY, FEMALE, CIRCULAR CONNECTOR, CRIMP, PLUG
4 CONTACT(S), ALUMINUM ALLOY, MALE, CIRCULAR CONNECTOR, CRIMP, PLUG
4 CONTACT(S), STAINLESS STEEL, MALE, CIRCULAR CONNECTOR, CRIMP, PLUG
1 CONTACT(S), ALUMINUM ALLOY, MALE, CIRCULAR CONNECTOR, CRIMP, PLUG
1 CONTACT(S), ALUMINUM ALLOY, FEMALE, CIRCULAR CONNECTOR, CRIMP, PLUG
CONNECTOR ACCESSORY 19 CONTACT(S), ALUMINUM ALLOY, MALE, CIRCULAR CONNECTOR, CRIMP, PLUG
CONNECTOR ACCESSORY 10 CONTACT(S), ALUMINUM ALLOY, MALE, CIRCULAR CONNECTOR, CRIMP, PLUG
Double-Start ACME Thread
GLENAIR INC
http://
Glenair, Inc.
803-002-06C5-3PN 803-002-06C5-3SN 803-002-06C6-1PN Bayonet Cable Plugs
85 CONTACT(S), STAINLESS STEEL, FEMALE, CIRCULAR CONNECTOR, PLUG
55 CONTACT(S), ALUMINUM ALLOY, FEMALE, CIRCULAR CONNECTOR, PLUG
85 CONTACT(S), ALUMINUM ALLOY, FEMALE, CIRCULAR CONNECTOR, PLUG
85 CONTACT(S), ALUMINUM ALLOY, FEMALE, CIRCULAR CONNECTOR, CRIMP, PLUG
55 CONTACT(S), STAINLESS STEEL, FEMALE, CIRCULAR CONNECTOR, PLUG
55 CONTACT(S), ALUMINUM ALLOY, FEMALE, CIRCULAR CONNECTOR, CRIMP, PLUG
55 CONTACT(S), STAINLESS STEEL, FEMALE, CIRCULAR CONNECTOR, CRIMP, PLUG
85 CONTACT(S), STAINLESS STEEL, FEMALE, CIRCULAR CONNECTOR, CRIMP, PLUG
CONNECTOR ACCESSORY
Glenair, Inc.
http://
GLENAIR INC
74139-5030 74139-5060 1.27mm (.050") Pitch EBBI(TM) 50D Plug, Surface Mount, Vertical, 30 Circuits, 3.00mm (.118") Retention Clip 30 CONTACT(S), MALE, STRAIGHT TELECOM AND DATACOM CONNECTOR, SURFACE MOUNT, PLUG
60CKT EBBI VERT SMT PLUG 60 CONTACT(S), MALE, STRAIGHT TELECOM AND DATACOM CONNECTOR, SURFACE MOUNT, PLUG
Molex, Inc.
790-027SH-66ZNUEG 790-027SH-66ZNUEN 790-027SH-66ZN 2 CONTACT(S), FEMALE, D MICROMINIATURE CONNECTOR, CRIMP, PLUG
9 CONTACT(S), FEMALE, D MICROMINIATURE CONNECTOR, CRIMP, PLUG
5 CONTACT(S), FEMALE, D MICROMINIATURE CONNECTOR, CRIMP, PLUG
13 CONTACT(S), FEMALE, D MICROMINIATURE CONNECTOR, CRIMP, PLUG
6 CONTACT(S), FEMALE, D MICROMINIATURE CONNECTOR, CRIMP, PLUG
Panel Mount Connectors, Crimp Termination
GLENAIR INC
Glenair, Inc.
JL05-6A18-19ASY-FO-R JL05-6A20-30ASY-FO-R JL05-6A2 STRAIGHT PLUG
5 CONTACT(S), MALE, CIRCULAR CONNECTOR, SOLDER, PLUG
Japan Aviation Electron...
Japan Aviation Electronics Industry, Ltd.
JAPAN AVIATION ELECTRONICS INDUSTRY LTD
47271-1011 PLUG SUB-ASSY FOR DISPLAYPORT 20 CONTACT(S), MALE, TELECOM AND DATACOM CONNECTOR, SOLDER, PLUG
Molex, Inc.
 
 Related keyword From Full Text Search System
50-00036 Emitter 50-00036 port 50-00036 Iconline 50-00036 ic marking 50-00036 battery mcu
50-00036 использование 50-00036 regulation 50-00036 System 50-00036 データシート 50-00036 register
 

 

Price & Availability of 50-00036

All Rights Reserved © IC-ON-LINE 2003 - 2022  

[Add Bookmark] [Contact Us] [Link exchange] [Privacy policy]
Mirror Sites :  [www.datasheet.hk]   [www.maxim4u.com]  [www.ic-on-line.cn] [www.ic-on-line.com] [www.ic-on-line.net] [www.alldatasheet.com.cn] [www.gdcy.com]  [www.gdcy.net]


 . . . . .
  We use cookies to deliver the best possible web experience and assist with our advertising efforts. By continuing to use this site, you consent to the use of cookies. For more information on cookies, please take a look at our Privacy Policy. X
2.0075109004974